- Главная
- Проекты домов
- Бревенчатый дом с мансардой
Бревенчатый дом с мансардой
H-1361-0
1 / 2
Описание проекта
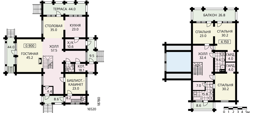
Большой бревенчатый дом с мансардой задуман и спроектирован с размахом. Об этом свидетельствуют и внушительные габариты здания, и просторная, свободная планировка, и большие площади помещений. Такой дом потребует и большого участка, и серьезных капиталовложений. В плане он крестообразный, причем с каждой из сторон организованы вход, всего их четыре. Главный – через террасу и тамбур и три дополнительных: через гостиную, столовую и котельную. Львиную долю площади первого этажа занимает гостевое пространство, объединившее холл, гостиную, кухню и столовую. В центре расположена лестница, ведущая в мансарду. Гостиная двусветная с камином и дополнительными опорами-колоннами. Террасы по четырем сторонам дома дополняют планировку. В мансарде расположены три спальни. Две из них имеют площадь более 30 м2 и оборудованы гардеробными, одна из них имеет собственную ванную комнату. Еще одна просторная ванная рассчитана на две другие спальни. Из всех спален можно выйти на балкон. В варианте проекта возможен подвал.
