- Главная
- Проекты домов
- «Старинный замок»
«Старинный замок»
J-1307-0
1 / 2
Описание проекта
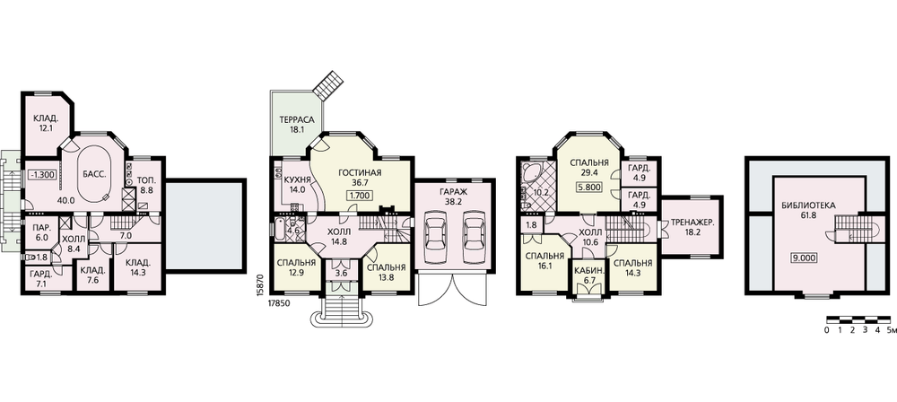
Этот большой кирпичный особняк на первый взгляд напоминает старинный замок из сказки. Эркеры, башни, арочные окна, декоративные решетки – элементы, создающие богатую пластику его фасадов. Внешнее декоративное изобилие поддержано богатым функциональным наполнением внутри дома. Проектом предусмотрено три этажа и чердак. Львиную долю площади цокольного этажа занимает помещение бассейна с большой овальной чашей. В отдельный блок вынесены парная, гардеробная и холл с душевой кабиной. Основным помещением первого этажа, безусловно, является гостиная. Это большое помещение с эркером, камином и выделенной зоной для кухни. Справа от входа к жилой части дома пристроен гараж. Второй этаж отдан помещениям для отдыха, на промежуточном уровне, над гаражом, расположен тренажерный зал. На чердаке по проекту предусмотрена большая библиотека, впрочем, здесь может находиться и студия, и мастерская.
